任务控制要求描述
★现有 1 台电机,通过变频器实现调试控制。PLC 借助模拟量输出功能,对变频器进行速度调节,电机采用 0 至 10V 的模拟信号完成调速操作。具体控制要求如下:
1. 启动与故障停止
按下启动按钮后,变频器启动运行。若运行过程中出现故障,变频器将立即停止工作。
2. 压力传感器信号采集
压力传感器输入信号类型为 4 至 20mA,可采集的压力范围为 0 至 1MPa。
3. 压力与频率对应控制
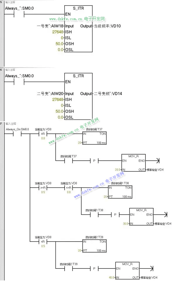
- 当压力大于 0.8MPa 时,变频器以 20Hz 的频率运行。
- 当压力处于 0.5 至 0.8MPa 区间时,变频器以 30Hz 的频率运行。
- 当压力小于 0.5MPa 时,变频器以 40Hz 的频率运行。
4. 运行频率显示
变频器的当前运行频率会在触摸屏上实时显示,方便工作人员随时查看。
5. 故障指示
若变频器发生故障,除停止运行外,故障指示灯将保持常亮状态,以便及时提醒工作人员
★任务的实施
★1. 模拟量输出与数字量关系
在本任务中,采用 200SMART PLC 进行控制,其模拟量与数字量之间存在特定的转换关系,如图 1 所示。
其中,Lsl 和 Lsh 代表变频器的量程范围,该范围设定在 0.0 - 50.0Hz 之间;Osl 和 Osh 表示 200SMART PLC 的输出数字量范围,此范围为 0 - 27648。
这种对应关系具体表现为:当 PLC 输出数字量为 0 时,对应的输出电压为 0V;而当 PLC 输出数字量达到 27648 时,输出电压则为 10V。
通过这样的电压值变化,能够精准地控制变频器的频率值,从而实现对电机速度的调节。
这样的模拟量 - 数字量转换关系,为系统的精确控制提供了基础,确保了电机能够根据实际需求在合适的频率下稳定运行
 
  
图1
★变频器端设置
★当 PLC 需要借助电流或电压信号对变频器进行控制时,变频器的相关参数也需进行相应设置。
下面以海浦蒙特 HD09 变频器为例展开说明,参数设置(如图 2)
图2
在海浦蒙特 HD09 变频器设置中,需对特定参数进行精准设定以适配 PLC 的控制需求。在图 2 所示的参数设置里:
- 将 F00.10 设置为 3,此设置意味着启用模拟量给定模式,使得变频器能够接收来自 PLC 的模拟量信号,以此作为频率调节的依据。
- 把 F00.11 设置为 1,这一操作可让变频器通过外部端子实现启停控制,从而与 PLC 的控制逻辑相衔接。
关于接线部分(参考图 3),AO1 和 GND 端子承担着模拟量控制变频器的关键作用,通过这两个端子传输的模拟信号,能够精准调节变频器的运行参数。
值得注意的是,AI1 和 GND 接线在当前程序中,其对应的功能并未被使用,在实际操作与维护时需留意这一情况,避免不必要的误操作或故障排查困扰
 
  
图3
注意:程序中只用到关于一号变频器的控制
★程序思路
在程序编写环节,模拟量程序的构建存在多种方法,其中较为常见的有依据公式换算进行编程以及借助程序库文件编程。
利用库文件编程时,我们将通过对不同数值的比较,以此实现根据压力值输出相应频率值的功能。
由于在实际工业现场环境中,压力传感器所采集的压力值极易受到各种因素干扰,进而产生波动现象,为确保系统输出的稳定性与准确性,我们需要在程序中增添延时去抖功能。
这一功能能够有效过滤掉因压力值瞬间波动而产生的误判信号,保证系统根据稳定的压力值来输出恰当的变频器运行频率,提升整个控制系统的可靠性与稳定性
程序编写
在着手编程前,一项极为关键的前置步骤便是进行组态操作,其中选择适配的测量信号类型尤为重要。参考图 2 ,不同的测量信号类型对应着不同的应用场景与控制需求
图2
程序结构与功能概述
本程序主要由多个程序段构成,各程序段承担着不同的功能,共同实现对变频器的精确控制以及相关数据的处理。以下是对各程序段功能的详细介绍:1, 程序段 1、2、3:变频器的基本控制与状态指示
程序段 1、2、3 主要负责变频器的启动、停止操作,同时监控其运行状态,并在出现故障时给出相应指示。这些程序段构建了变频器控制的基础逻辑,确保系统能够根据实际需求准确地开启或关闭变频器,并及时反馈运行状况。
2, 程序段 4、5:数据读取
程序段 4 和 5 借助模拟量输入库文件,实现对当前压力值以及变频器频率反馈值的读取。通过这种方式,程序能够实时获取系统的关键运行参数,为后续的控制决策提供准确的数据支持。
3,程序段 6:压力值比较与设定
程序段 6 运用比较指令对读取到的压力值进行分析比较。根据压力值所处的不同区间段,程序会设定相应的目标值。这种基于压力区间的动态设定机制,使得系统能够根据实际压力情况灵活调整控制策略,提高控制的精准度和适应性。
4, 程序段 7、8:模拟量输出控制
程序段 7 和 8 调用模拟量输出库指令,将预先设定好的目标频率值通过模拟量通道输出给变频器。这一过程实现了从数据处理到实际控制的转化,确保变频器能够按照程序设定的频率运行,从而满足系统的运行需求


 会员中心
 会员中心 会员注册
 会员注册 
  
  
  
  
  
  返回顶部
返回顶部 刷新页面
刷新页面 下到页底
下到页底